一、概述
ZB-LXQ.RXQ系列一次消諧器是保定眾邦電氣有限公司專為保護電壓互感器諧振而開發的產品。用于6-35KV中性點不接地系統,串聯于電壓互感器與中性點之間。
可以限制鐵磁諧振引起的過電壓,可以限制單相接地或電弧接地時流過高壓互感器的過電流。采用大容量非線性電阻片組成,具有散熱性能好、體積小、熱容量大等特點,能適用于各種電壓互感器。
二、型號說明
三、使用條件
1、適用于戶內及戶外;
2、環境溫度-40℃~+60℃;
3、系統頻率:50Hz,60Hz
4、海拔高度不大于3000m;
5、大氣中無嚴重污穢及浸蝕性介質的場所;
6、串接于交流6~35KV非有效接地系統PT一次繞組中性點與地之間,在一個系統中接有多臺電壓互感器時,應每臺互感器的三相高壓繞阻中性點裝一臺消諧器, 才能有效地限制弧光接地過電壓和消除鐵磁諧振。
四、用戶需知
1、消諧器在運輸、儲存、開箱和安裝時, 應直立放置,不得傾斜,躺臥和受沖擊、碰撞。安裝使用前,應放在清潔干燥的房間內,不要受腐蝕性氣體或液體浸蝕。
2、消諧器在投入運行前或運行1-2年后, 應做預防試驗, 其項目為:測量每臺消諧器的工頻1mA和10mA時的電壓,不大于要求范圍的10%,其值應符合表中規定。
3、在日常運行中,由于單項接地或負載不對稱等其它原因造成三項電壓不對稱, 這時消諧器上有一定電壓,運行人員勿直接接觸。
4、用戶不得隨意拆開產品。
五、技術指標

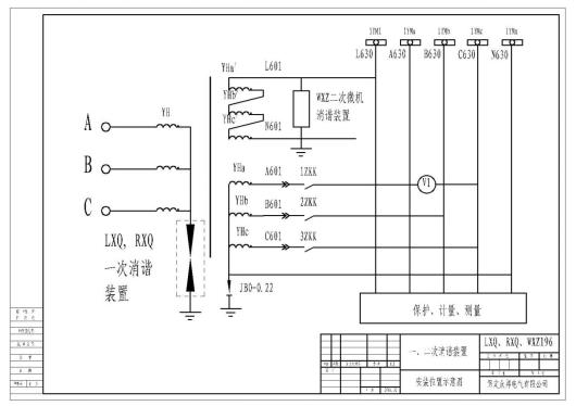
六、安裝位置圖

七、外形尺寸圖

八、服務指南與訂貨須知
服務宗旨
客戶滿意,是我們的責任;持續改進,是我們的義務。
具體事宜
從購買之日起一年內免費維修!
一年后出現故障,根據設備安裝地點及合同簽訂情況協商解決;

注:由于技術不斷更新,產品規格和配置如有變化,請以實際供貨說明書為準
電話:0312-3320110 技術電話:0312-3320112
傳真:0312-3320222
網址:http://www.bdzhongbang.com
郵箱:13513285660@139.com
地址:河北省保定市高開區火炬產業園



